Прием звонков: Пн-Пт: с 8.00 до 21.00
Сб,Вс: с 9.00 до 18.00
(Бесплатный звонок по России)
Ваш Регион: Республика Крым
Ваш город: Мыс Казантип
Изменить город:

ГлавнаяПроектыМодульные здания → Блок-модуль (офис) из 2 шт 12м блок-контейнеров

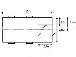
Блок-модуль (офис) из 2 шт 12м блок-контейнеров

Сроки строительства:
Населенный пункт: Астрахань
Адрес доставки:
Заказчик: Синерджетик Проджектс
Стоимость проекта (цена): узнать стоимость

Блок-модуль (офис) из 2 шт 12м блок-контейнеров


Блок-модуль (офис) из 2 шт 12м блок-контейнеров
Блок-модуль (офис) из 2 шт 12м блок-контейнеров

Для того, чтобы узнать стоимость проекта, заполните форму ниже:

Узнать стоимость этого проекта

ОШИБКА:
Заполните, пожалуйста, все поля корректно!
Спасибо!
Ваш запрос отправлен, через некоторое время с Вами свяжутся!
Представтесь(ФИО)*:

Телефон*:

Город доставки*:

E-mail*:


Нажимая на кнопку, вы даете согласие на обработку персональных данных
* - поле обязательно для заполнения.
Назад